 
销售热线
技术热线:0576-85183757

 
		 
		
销售电话:0576-85182037
技术电话:0576-85183757 
传真号码:0576-85182843
联系邮箱:haihong@cn-hydraulic.com
公司地址:浙江省临海市江南街道金岭路199号
产品特点
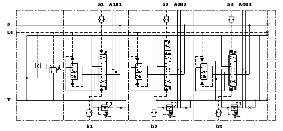
对不同的执行元件分配流量时,流量与其需求成比例,与泵的饱和状态和负载压力无关(LUDV);
与变量泵配套使用,当多路阀处于中位时,通过LS口压力反馈,使变量泵斜盘角度最小,油液低压小流量卸荷,节能效果良好。
闭芯,用于变量泵,通过LS溢流阀来限定多路阀的最高压力;
每一联换向片的流量可调,只需一个变量泵即可满足所有作业功能;
应用领域
主要应用于装载机、平地机等其它工程机械。
液压原理图
       
    
技术参数(对超出下述参数的应用场合,请与我公司联系)
| 概述 | |
| 结构 | 整体式 | 
| 安装方式 | 见外形图 | 
| 油口连接方式 | 螺纹 | 
| 通径 mm | 15 | 
| 液压 | |
| P口最高压力 | 350 | 
| A、B口最高压力bar | 420 | 
| a、b口最高压力bar | 30 | 
| 允许最大回油背压bar | 15 | 
| 主安全阀压力bar | 100~350 | 
| 二次溢流阀压力bar | 150~290 | 
| 流量 L/min | 120(每片最大) | 
| 液压油温度范围℃ | -20~+100 | 
| 粘度范围m2/s | 10~460 | 
| 油液允许的污染等级 | -/19/16 (ISO4406:1999) | 
| 机械 | |
| 重量 kg | 约44.4 | 
产品外形图
        
 
    
| 油口 | P、T | A、B | LS、a、b | 
| 尺寸 | G1” | G3/4” | G1/4” | 
相关产品
 
销售热线:0576-85182037
友情链接: 多路阀系列 先导阀系列 制动阀系列 操纵阀系列 农机阀系列 转向阀系列 Sitemap TXT Sitemap XML 网站地图

微信官网

手机官网