 
销售热线
技术热线:0576-85183757

 
		 
		
销售电话:0576-85182037
技术电话:0576-85183757 
传真号码:0576-85182843
联系邮箱:haihong@cn-hydraulic.com
公司地址:浙江省临海市江南街道金岭路199号
产品特点
结构简单、紧凑;
整体式结构,消除片式结构片间外漏现象;
六通片式多路阀;
控制方式:手控。
应用领域
该阀应用在汽车起重机、清障车、高空作业车、混凝土泵车等工程车辆上;
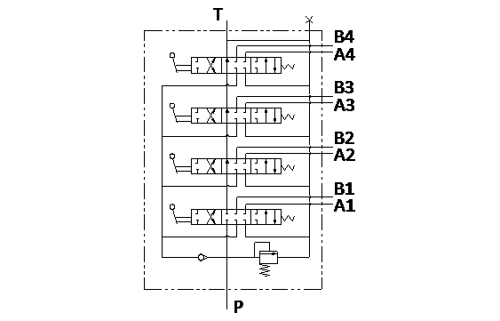
液压原理图
      
    
注:P1、P2口进油、T口回油,a、b口接先导油、AB口接控制油缸。
技术参数(对超出下述参数的应用场合,请与我公司联系)
| 概述 | |
| 结构 | 整体式 | 
| 油口连接方式 | 螺纹 | 
| 安装方式 | 见外形图 | 
| 安装螺栓扭矩 N.m | 29~35 | 
| 通径 mm | 9 | 
| 液压 | |
| 公称流量 L/min | 60 | 
| 公称压力bar | 250 | 
| 允许最大回油背压bar | 15 | 
| 液压油温度范围℃ | -20~+100 | 
| 粘度范围m2/s | 10~380 | 
| 油液允许的污染等级 | -/19/16 (ISO4406:1999) | 
| 机械 | |
| 重量 | 约37.5kg | 
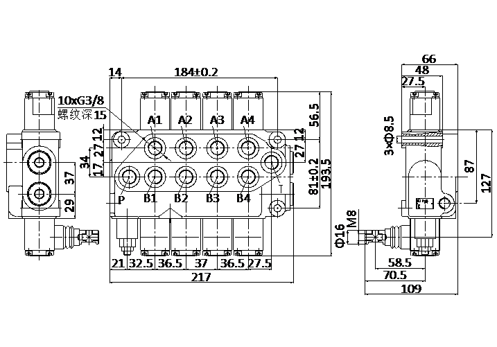
产品外形图
        
    
相关产品
 
销售热线:0576-85182037
友情链接: 多路阀系列 先导阀系列 制动阀系列 操纵阀系列 农机阀系列 转向阀系列 Sitemap TXT Sitemap XML 网站地图

微信官网

手机官网