 
销售热线
技术热线:0576-85183757

 
		
 
		
销售电话:0576-85182037
技术电话:0576-85183757 
传真号码:0576-85182843
联系邮箱:haihong@cn-hydraulic.com
公司地址:浙江省临海市江南街道金岭路199号
产品特点
6通多路阀;
紧凑的片式结构,可针对不同机器的需要组合相应的控制阀组;
控制方式:手动、液控、电控;
回路形式:并联回路;
负载敏感控制;
多路阀结构紧凑压力损失小;
通过一次二次溢流阀保护系统;
微动特性好,操控准确度高;
起升双泵合流工作,倾斜或属具单泵工作,提高了效率,降低整车温度。
应用领域
应用于叉车、物流搬运机械等工程机械。
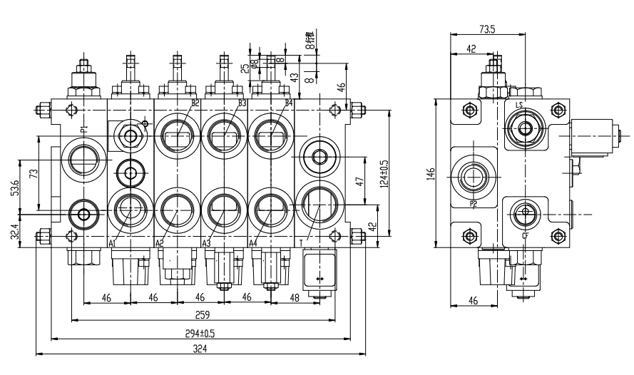
技术参数(对超出下述参数的应用场合,请与我公司联系)
| 概述 | |
| 通径 | 18 mm | 
| 公称压力 | 200 bar | 
| 最大压力 | 230 bar | 
| 公称流量 | 120 L/min | 
| 最大流量 | 160 L/min | 
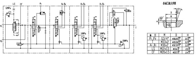
外形安装尺寸及原理图
 
     
    
        
    
       
    
        
    
应用说明
该系列多路阀提供一种合流起升负载敏感多路阀,该阀匹配双泵结构,通过内部反馈油道控制卸荷单向阀来控制其中一个泵的工作和卸荷,当需要起升动作时,反馈油关闭卸荷单向阀,双泵合流去起升;当需要倾斜或属具工作时,反馈油打开卸荷单向阀,其中一个泵卸荷,这样能有效的提高效率,降低整车温度。另外该阀采用负载敏感设计,能实现输出流量与阀杆的行程变化的匹配,操控性能大大提高。
相关产品
 
销售热线:0576-85182037
友情链接: 多路阀系列 先导阀系列 制动阀系列 操纵阀系列 农机阀系列 转向阀系列 Sitemap TXT Sitemap XML 网站地图

微信官网

手机官网