 
销售热线
技术热线:0576-85183757

 
		 
		
销售电话:0576-85182037
技术电话:0576-85183757 
传真号码:0576-85182843
联系邮箱:haihong@cn-hydraulic.com
公司地址:浙江省临海市江南街道金岭路199号
产品特点
控制方式:手柄式,具有定位功能;
工作形式:采用比例减压阀结构,随着手柄角度的不同,输出不同的压力。
结构紧凑,安装方便;
制动灵敏,制动微动性能好;
应用领域
主要用于矿山机械、农林机械、装载机等其它机械的全液压制动系统。
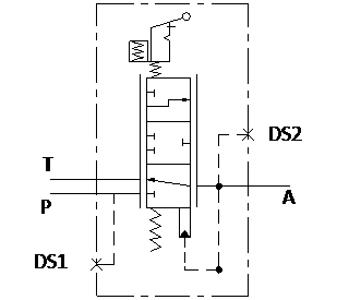
液压原理图
             
        
特性曲线
          
        
        
    
技术参数(对超出下述参数的应用场合,请与我公司联系)
| 概述 | ||||
| 结构 | 整体手柄式 | |||
| 安装方式 | 见外形图 | |||
| 油口连接方式 | 螺纹 | |||
| 液压 | ||||
| 最大制动压力bar | 70 | |||
| 公称压力bar | 200 | |||
| 允许最大回油背压bar | 
                        1 | |||
| 制动出口流量L/min | 30(max) | |||
| 液压油温度范围℃ | -20~+100 | |||
| 粘度范围m2/s | 10~460 | |||
| 油液允许的污染等级 | -/19/16 (ISO4406:1999) | |||
| 机械 | ||||
| 重量 Kg | 3.3 | |||
产品外形图
        
    
       
    
相关产品
 
销售热线:0576-85182037
友情链接: 多路阀系列 先导阀系列 制动阀系列 操纵阀系列 农机阀系列 转向阀系列 Sitemap TXT Sitemap XML 网站地图

微信官网

手机官网