 
销售热线
技术热线:0576-85183757

 
		 
		
销售电话:0576-85182037
技术电话:0576-85183757 
传真号码:0576-85182843
联系邮箱:haihong@cn-hydraulic.com
公司地址:浙江省临海市江南街道金岭路199号
产品特点(OBV)
制动灵敏,制动微动性能好;
控制方式:脚踏连杆式;
密封形式:采用单向阀和锥阀的密封,泄漏量小;
N口可根据需要接转向系统或回油;
工作形式:采用比例减压阀结构,随着脚踏力的不同,输出不同的压力。
产品特点(HXQ)
密封形式:采用单向阀和活塞密封形式,泄漏量小;
连接方式:与OBV-L25E连接,实现充液功能;
安全装置: 蓄能保压结构设置有安全阀;
结构特点:弹簧式活塞式和充氮活塞式蓄能器;
应用领域
主要用于5~10吨叉车、或同等吨位其它工程机械的制动系统;
液压原理图
             
    
        
    
技术参数(OBV)(对超出下述参数的应用场合,请与我公司联系)
| 概述 | |
| 连接方式 | 整体式 | 
| 控制方式 | 比例减压 | 
| 安装方式 | 见外形图 | 
| 油口连接方式 | 螺纹 | 
| 通径 mm | 10 | 
| 重量 Kg | 1.9 | 
| 液压 | |
| 公称流量 L/min | 25 | 
| 公称压力bar | 160 | 
| 制动压力 bar | 100 | 
| 制动响应时间 s | 0.3 | 
| 允许最大回油背压bar | 1 | 
| 液压油温度范围℃ | -20~+100 | 
| 粘度范围m2/s | 10~380 | 
| 油液允许的污染等级 | -/19/16 (ISO4406:1999) | 
| 机械 | |
技术参数(HXQ)(对超出下述参数的应用场合,请与我公司联系)
| 概述 | |
| 结构 | 弹簧活塞式和充氮活塞式 | 
| 控制方式 | 压力控制 | 
| 安装方式 | 见外形图 | 
| 油口连接方式 | 螺纹 | 
| 通径 mm | 10 | 
| 重量 Kg | 12.1(HXQ-00b)、 13.2(HXQ-00a) | 
| 液压 | |
| 公称压力 bar | 90 | 
| 允许最大回油背压 bar | 15 | 
| 报警开关电压 V | 12~24 | 
| 蓄能器容积 ml | 0.3 | 
| 报警压力 bar | 60 | 
| 安全阀压力 bar | 125 | 
| 液压油温度范围℃ | -20~+100 | 
| 粘度范围m2/s | 10~380 | 
| 油液允许的污染等级 | -/19/16 (ISO4406:1999) | 
| 机械 | |
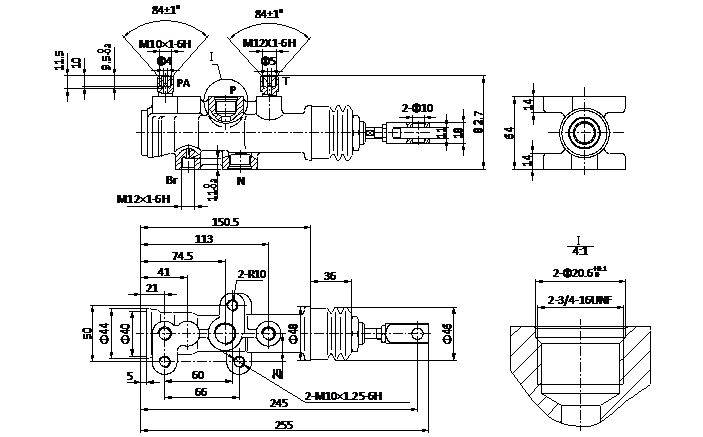
产品外形图(OBV)
      
    
产品外形图(HXQ)
       
    
相关产品
 
销售热线:0576-85182037
友情链接: 多路阀系列 先导阀系列 制动阀系列 操纵阀系列 农机阀系列 转向阀系列 Sitemap TXT Sitemap XML 网站地图

微信官网

手机官网